



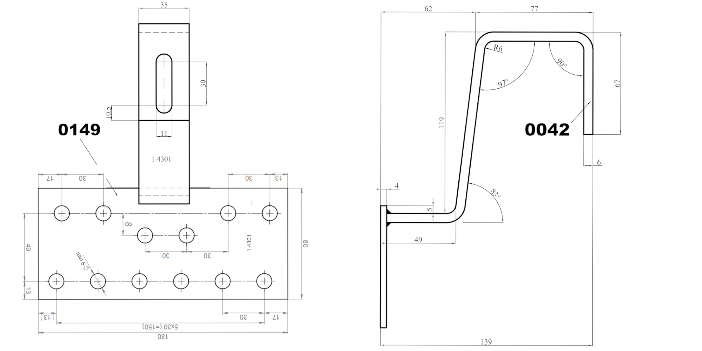
Performance Dachhaken (35×6 Edelstahl | Standard | Bügelhöhe 49mm)
MwSt. entfällt & zzgl. Speditionskosten, da Langguttransport
Dienstag, den 20.01.2026
Persönliche Abholung in Wuppertal möglich
Beschreibung
Standard-Dachhaken verstärkt 35×6 mm – für Schnee- und Windlastzone 1–2a
Der verstärkte Standard-Dachhaken mit einem Bügel aus 35×6 mm Material bietet eine stabile und langlebige Befestigungslösung für Photovoltaik- und Solaranlagen. Er ist besonders für den Einsatz in Schnee- und Windlastzone 1–2a geeignet und überzeugt durch seine robuste Bauweise.
Abholung in Wuppertal möglich!
Vorteile des verstärkten Standard-Dachhakens
- Stabile Konstruktion – Bügel aus 35×6 mm Edelstahl für hohe Belastbarkeit
- Einsatz in Schnee- & Windlastzone 1–2a – zuverlässig auch bei anspruchsvollen Bedingungen
- Korrosionsbeständig – hochwertige Edelstähle (1.4301 & 1.4016) sorgen für lange Lebensdauer
- Einfache Montage – bewährtes Design für eine schnelle und sichere Befestigung
- Ideal für PV-Anlagen – kompatibel mit gängigen Montagesystemen
Typische Einsatzbereiche
- Photovoltaik-Anlagen – sichere Befestigung von Modulen auf Ziegeldächern
- Schnee- & Windlastzonen 1–2a – ausgelegt für normale bis erhöhte Dachlasten
- Sanierungen & Neubauten – flexibel einsetzbar in verschiedenen Bauprojekten
Technische Details
- Montagesystem: Profiness Performance-Serie
- Grundplatte: 180 × 80 × 4 mm
- Bügelstärke: 35 × 6 mm
- Bügelhöhe: 49 mm
- Bügellänge: ca. 11 cm
- Werkstoff:
- Haken: Edelstahl 1.4301
- Grundplatte: Edelstahl 1.4016
- Gewicht: 0,87 kg pro Stück
- Mindestabnahme: 1 Stück
- Verpackungseinheit: 20 Stück pro Karton
FAQ – Häufige Fragen
Für welche Lastzonen ist der Dachhaken geeignet?
✔️ Für Schnee- und Windlastzone 1–2a.
Aus welchem Material besteht der Dachhaken?
✔️ Der Bügel ist aus Edelstahl 1.4301, die Grundplatte aus Edelstahl 1.4016 gefertigt.
Wie hoch ist der Bügel?
✔️ Die Bügelhöhe beträgt 49 mm.
Kann der Dachhaken für PV-Anlagen genutzt werden?
✔️ Ja, er ist speziell für Photovoltaik-Montagesysteme entwickelt.
Photovoltaik AGBs
- Der Null-Umsatzsteuersatz gemäß Abschnitt 12, Absatz 3 UstG gilt ab 01.01.2023 für Solarmodule sowie für wesentliche Komponenten zum Betrieb einer Photovoltaikanlage, einschließlich des Speichers, zur Aufbewahrung des mit den Solarmodulen erzeugten Stroms. Dies gilt nur für Photovoltaikanlagenbetreiber, wenn die Photovoltaikanlage in oder in der Nähe von Privatwohnungen, Wohnungen sowie öffentlichen und anderen Gebäuden, die für Gemeinnützigkeit genutzt werden, installiert wird. Die maximale Leistung der Anlage darf 30 kW (peak) gemäß Marktstammdatenregister nicht überschreiten.
- Der Käufer bestätigt durch Abschluss des Kaufvertrags mit einem Null-Umsatzsteuersatz, dass er als Photovoltaikanlagenbetreiber kauft und die in Absatz (1) beschriebenen Voraussetzungen erfüllt. Die Eintragung in das Marktstammdatenregister unter dem Kundennamen muss innerhalb von 6 Monaten nach dem Kauf erfolgen. andernfalls behält sich BOGA das Recht vor, die gesetzliche Mehrwertsteuer zu fordern.


