




Performance Dachhaken für Flachziegel (Tegalit)
MwSt. entfällt & zzgl. Speditionskosten, da Langguttransport
Dienstag, den 20.01.2026
Persönliche Abholung in Wuppertal möglich
Beschreibung
Tegalit-Dachhaken für flache Betondachsteine – Edelstahl 1.4301
Die Tegalit-Dachhaken sind speziell für die Befestigung von Photovoltaikanlagen auf Ziegeldächern mit flachen Betondachsteinen nach BS EN 490 konzipiert. Sie können direkt auf dem Ziegel aufliegen – ein Aussparen der Dachziegel ist nicht notwendig, was die Montage erheblich erleichtert.
Abholung in Wuppertal möglich!
Vorteile der Tegalit-Dachhaken
- Kein Ausschneiden nötig – Haken liegt direkt auf dem Ziegel auf
- Einfache Montage – Verschraubung direkt am Sparren mit 6–8 mm Schrauben
- Stabile Verbindung – sichere Anbindung am Profil mit Tellerkopfschrauben & M10×25 Schrauben
- Korrosionsbeständig – Edelstahl 1.4301 sorgt für lange Lebensdauer
- Perfekt für flache Betondachsteine – nach BS EN 490
Typische Einsatzbereiche
- Photovoltaikanlagen – auf flachen Betondachsteinen nach BS EN 490
- Sanierungen & Neubauten – einfache Nachrüstung ohne Ziegelausschnitt
- Ziegeldächer mit Tegalit-Optik – speziell dafür entwickelt
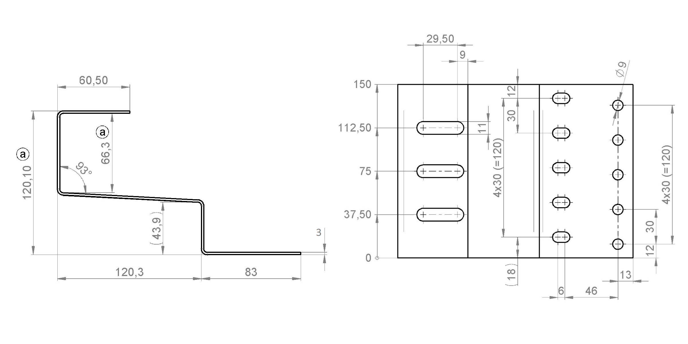
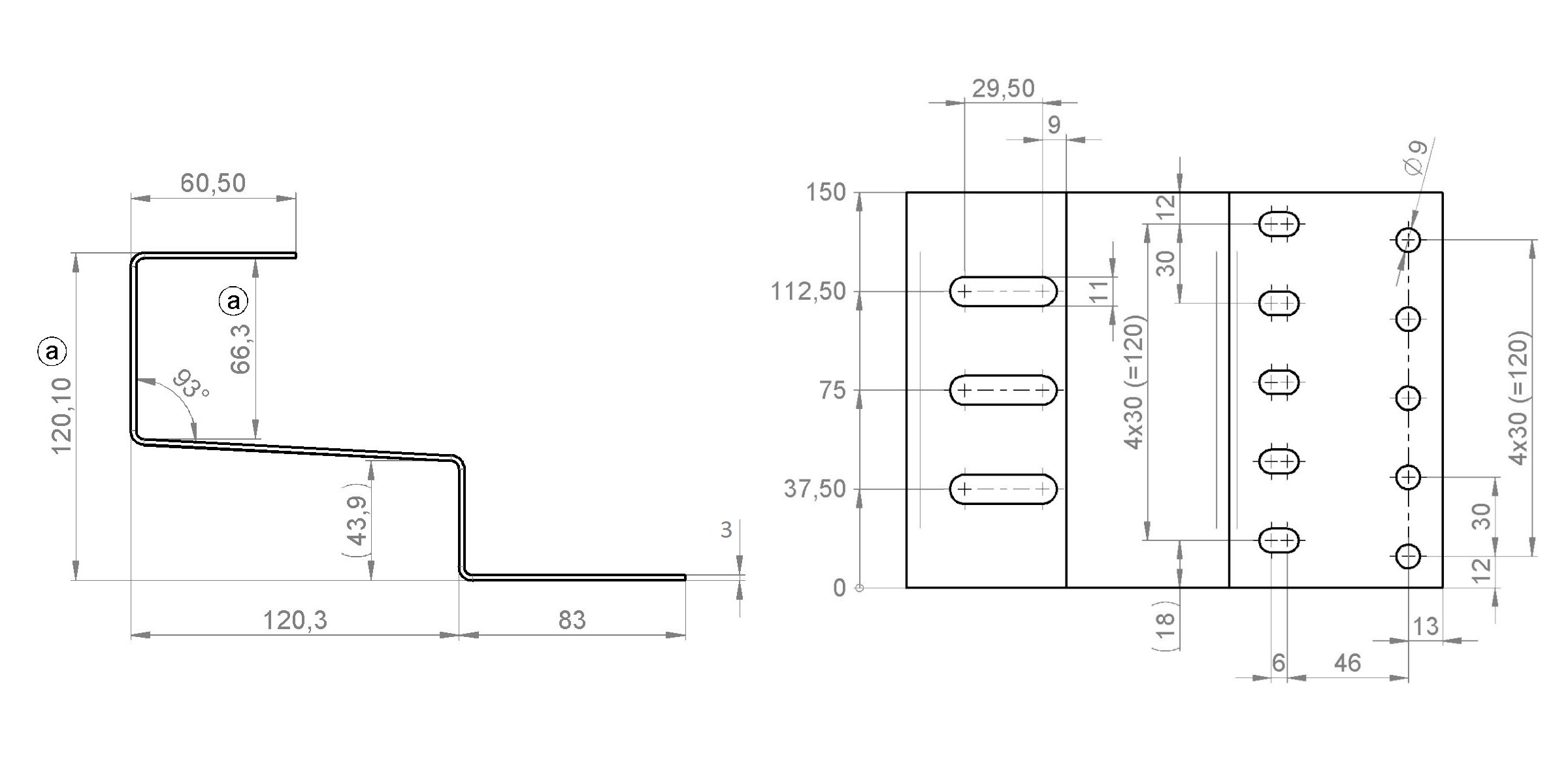
Technische Details
- Montagesystem: Profiness Basic-Serie
- Abmessungen: 203,3 × 150 mm
- Gesamtlänge: 120 mm
- Bügelhöhe: 44 mm
- Bügelstärke: 2 mm
- Material: Edelstahl 1.4301
- Gewicht: 0,93 kg pro Stück
- Mindestabnahme: 1 Stück
- Verpackungseinheit: 30 Stück pro Karton
- Verschraubung:
- Am Sparren: 8 mm Holzschrauben (oder 6 mm bei dünnen Sparren)
- Am Profil: Tellerkopfschrauben + M10×25 Schrauben mit M10 Mutter
FAQ – Häufige Fragen
Muss der Ziegel ausgeschnitten werden?
❌ Nein, die Tegalit-Dachhaken können direkt auf dem Ziegel aufliegen.
Wie wird der Haken am Sparren befestigt?
✔️ Mit 8 mm Holzschrauben, bei dünneren Sparren auch mit 6 mm Schrauben.
Wie erfolgt die Verbindung zum Profil?
✔️ Über Tellerkopfschrauben und M10×25 Verschraubung mit Mutter.
Welches Material wird verwendet?
✔️ Edelstahl 1.4301, korrosionsbeständig & langlebig.
Photovoltaik AGBs
- Der Null-Umsatzsteuersatz gemäß Abschnitt 12, Absatz 3 UstG gilt ab 01.01.2023 für Solarmodule sowie für wesentliche Komponenten zum Betrieb einer Photovoltaikanlage, einschließlich des Speichers, zur Aufbewahrung des mit den Solarmodulen erzeugten Stroms. Dies gilt nur für Photovoltaikanlagenbetreiber, wenn die Photovoltaikanlage in oder in der Nähe von Privatwohnungen, Wohnungen sowie öffentlichen und anderen Gebäuden, die für Gemeinnützigkeit genutzt werden, installiert wird. Die maximale Leistung der Anlage darf 30 kW (peak) gemäß Marktstammdatenregister nicht überschreiten.
- Der Käufer bestätigt durch Abschluss des Kaufvertrags mit einem Null-Umsatzsteuersatz, dass er als Photovoltaikanlagenbetreiber kauft und die in Absatz (1) beschriebenen Voraussetzungen erfüllt. Die Eintragung in das Marktstammdatenregister unter dem Kundennamen muss innerhalb von 6 Monaten nach dem Kauf erfolgen. andernfalls behält sich BOGA das Recht vor, die gesetzliche Mehrwertsteuer zu fordern.


